The Keyboard



Sorry, this page is currently only available in german. I'll translate this too, I promise ;-)

Damit der CD Player einigermaßen komfortabel bedienbar ist muß man (leider) einiges an Tasten spendieren. Der Player unterstützt momentan 39 Tasten, die allerdings für die korrekte Funktion (glücklicherweise) nicht alle benötigt werden. Die Tasten lassen sich grob klassifizieren in „unbedingt notwendig", „recommended" und „nice to have".

Zu den unbedingt notwendigen Tasten zählen:

Play/Pause, Stop, Skip Forward, Skip Backward, Eject

Recommended sind

Zehnerfeld, , Seek forward (im File), Seek backward (ebenfalls im File)

Nice to have:

Repeat, Shuffle, Anzeige der Zeit im Display beeinflussen, Check (Parameter der Datei anzeigen)

Alle, die nicht sofort alle Tasten beschalten möchten, können getrost nur die unbedingt notwendigen Tasten anschließen. Die zusätzlichen Funktionen liegen dann einfach nur brach, kollidieren aber nicht mit der angeschlossenen Funktionalität.

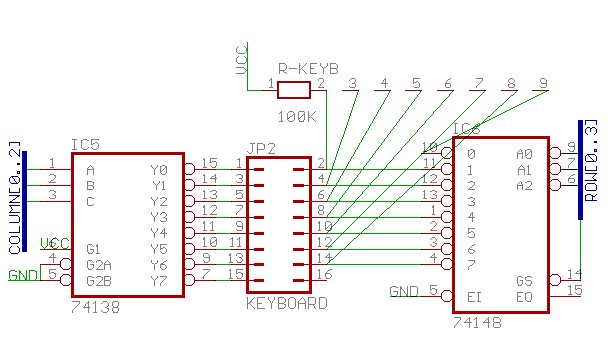
Von der Hardwareseite aus wird das durch eine Tastenmatrix mit einem 6 mal 7 Feld erreicht. An den Kreuzungspunkten der sechs senkrechten mit den waagerechten sieben Leitungen kann jeweils ein Taster angeschlossen werden, der die Spaltenleitung mit der Zeilenleitung verbindet. Um die Signale auch dann korrekt zu interpretieren, wenn in einer Spalte keine Taste gedrückt wurde, sind alle Zeilenleitungen mittels 100kOhm Wiederstände auf 5Volt gelegt.

Die Tastaturleseroutine legt nun zyklisch eine Spalte auf logisch 0V und liest dann das Zeilenregister aus. Dieses liefert dann die (durch Priorität eindeutig festgelegte) Zeile in der die Taste gedrückt wurde. Wurde jedoch keine Taste gedrückt, wird duch die High-Pegel Zeile 7 ausgewählt, die physisch nicht vorhanden ist und somit leicht als ungültig erkannt werden kann.

Das Tastaturinterface wird durch zwei Chips realisiert. Zum einen wird über einen 74HCT138 jeweils eine Spalte auf 0Volt gezogen. Dieser Chip realisiert einen 8 aus 3 Decoder mit invertierenden Ausgängen, das heißt, die Bitkombination der drei Eingangsleitungen wählt die Ausgangsleitung aus, die auf 0Volt gelegt werden soll. Die Eingänge des Chips sind mit P6[2:0] des Prozessors verbunden.

Die zweite Hälfte des Tastaturinterfaces bilded ein 74HCT147. Dieser Chip hat 8 Eingänge, die untereinander priorisiert sind. Die Adresse der Leitung mit der höchsten Nummer bei der gerade 0Volt anliegt, wird binär codiert an den vier Ausgängen angelegt. Diese sind mit P7[3:0] des Prozessors verbunden. Wenn keine Taste gedrückt wird, liest der Prozessor [1,1,1,1] zurück.

 

Bevor wir nun zur Funktionsbeschreibung der einzelnen Tasten kommen, hier noch ein paar grundsätzliche Bemerkungen:

Um die große Anzahl Titel auf einer CD sinnvoll zu unterteilen, führt dieser Player den Begriff der VirtualCD (VCD) ein. Unter einer VCD werden alle abspielbaren Dateien eines physischen Verzeichnisses zusammengefaßt. Die Tastenfunktionen erlauben es schnell zwischen verschiedenen VCDs zu wechseln.

Alle Tasten haben zwei unterschiedliche Funktionen, je nachdem, ob man sie nur kurz drückt, oder ob man die Taste gedrückt hält. Im letzteren Fall wird je nach Taste entweder eine Wiederholung des letzten Befehls ausgeführt, oder ober, es wird die alternative Funktion der Taste ausgelöst.

Klingt kompliziert? Ist es aber nicht! Ein Beispiel: Wenn man die Taste für Play kurz drückt, wird das Abspielen des aktuellen Titels gestartet - ganz so, wie man es erwarten würde. Hält man die Playtaste jedoch ca. 1 Sekunde gedrückt, so wird ebenfalls der aktuelle Titel abgespielt - es wird jedoch nach dem letzten Titel der aktuellen VCD (virtuellen CD) automatisch gestoppt.

Noch ein Beispiel: NextTitle springt bei kurzer Betätigung auf den nächsten Titel. Bei langem Druck wird auf den ersten Titel der nächsten VCD gesprungen. Die anderen Tasten haben analoge Funktionen, die im folgenden genauer beschrieben werden.

 

Die Interpretation der einzelnen Kreuzungspunkte kann man leicht im folgenden Bild sehen:

 

[BILD: tastatur-pict.gif]

[SONY Tastaturbelegung des CDP-710]

 

Spalte 0: PrevTitle und NextTitle.

Durch eine kurze Betätigung von NextTitle wird auf den nächsten Titel gesprungen. Sollte der aktuelle Titel der letzte der aktuellen VCD sein, so wird auf den ersten Titel der nächsten VCD (so vorhanden) gesprungen.

Die Funktion einer kurzen Betätigung von PrevTitle hängt davon ab, wo man sich gerade innerhalb des aktuellen Titels befindet. Ist der Player noch am Anfang des Titels (ca. 5-10 Sekunden von Start entfernt), so wird an den Anfang des vorherigen Titels gesprungen. Wie schon bei NextTitle wird auch hier automatisch die VCD gewechselt, sollte man am ersten Titel der aktuellen VCD angekommen sein. Wenn allerdings die aktuelle Position weiter vom Start des Titels entfernt sein sollte, so wird auf den Beginn des aktuellen Titels zurückgesprungen.

Spalte 0: FastForward und FastBackward.

Diese Tasten dienen zur Navigation im aktuellen Titel. Ein kurzer Klick springt ca. 5 Sekunden vor bzw. zurück. Längeres Drücken der Taste führt eine Repeatfunktion aus. Es ist allerdings nicht möglich über den Anfang oder das Ende des aktuellen Titels hinaus zu seeken.

Spalte 1: Repeat.

Lange gedrückt, wird der aktuelle Repeat-Modus im Display angezeigt ohne den Modus zu wechseln.

Ein kurzer Druck wechselt zwischen den drei vorhandenen Repeat-Modi wobei der gewählte für 4 Sekunden im Display angezeigt wird. Mögliche Modi sind „Normal" (keine besondere Repeat Funktionalität), „Repeat-Track" (der aktuelle Titel wird bis zum Abbruch wiederholt) oder „Repeat-VCD" (wiederholt bis auf weiteres die aktuelle VCD). Auf „Repeat-CD" habe ich verzichtet - wer möchte schon nach 12 Stunden die CD schon wieder hören ;-)

Spalte 1: Check.

Wenn keine CD eingelegt ist, wird durch kurze Betätigung die Informationen über das eingebaute CD-ROM Laufwerk ausgegeben.

Ist eine CD eingelegt, so wird bei langem Druck die Speicherbelegung angezeigt.

Spielt ein Titel, kann hiermit nochmal die Bitrate des Titels abgefragt werden.

Spalte 1: (+10) und (0) werden bei der 10er Tastatur beschrieben

 

Spalte 2: Shuffle.

Lange gedrückt, wird der aktuelle Shuffle-Modus im Display angezeigt ohne den Modus zu wechseln.

Ein kurzer Druck wechselt zwischen den drei vorhandenen Shuffle-Modi wobei der gewählte für 4 Sekunden im Display angezeigt wird. Mögliche Modi sind „Normal" (keine besondere Shuffle Funktionalität), „Shuffle VCD" (die aktuelle VCD wird in einer zufälligen Folge abgespielt wobei sichergestellt ist, daß jeder Titel genau einmal abgespielt wird) oder „Shuffle all" (es werden über die gesamte physische CD zufällige Titel abgespielt wobei nicht mehr sichergestellt wird, daß jeder Titel wirklich mindestens einmal gespielt wurde bevor sich ein Titel wiederholt)

Anmerkung: Ein Wechsel des Shufflemodus in „Shuffle all" wird der Repeat-modus auf „normal" zurückgesetzt.

Spalte 2: Programm.

(Leider) noch ohne Funktion.

 

Spalte 3: Stop.

Ein kurzer Druck auf Stop beendet den aktuell abgespielten Titel und positioniert auf den Beginn des abgespielten Titels (womit Play wieder beim gleichen Titel beginnen würde).

Ist der Player schon im Stop Modus, so positioniert ein kurzer Stop auf den ersten Titel der aktuellen VCD.

Steht der Player schon auf dem ersten Titel der aktuellen VCD, so wird auf den ersten Titel der CD insgesamt positioniert.

Ein langer Druck auf Stop bringt den Player direkt wieder an den Begin der gesamten CD zurück.

Spalte 3: LAP.

Schaltet das Display zwischen den beiden Zeitanzeigen um. Normlerweise wird im Display die bereits abgelaufene Zeit des gerade spielenden Titels angezeigt. Dazu wird aus der Datei die Bitrate ermittelt und zusammen mit der aktuellen Position innerhalb der Datei die Zeit berechnet. Falls die Bitrate nicht bestimmt werden kann, wird stattdessen der Prozentsatz der bereits abgespielten Datei angezeigt.

Durch kurzen Druck auf LAP kann auf die Restanzeige, also die Zeit die noch bis zum Ende des Titels verbleibt, umgeschaltet werden.

Spalte 4: Pause.

Wechselt zwischen Pause und Play. Im Pausemodus kann nur zwischen Stop, Play und Pause gewählt werden. Alle anderen Tasten werden im Pausemodus ignoriert.

Spalte 5: Eject.

Mit einem kurzer Druck auf Eject kann jederzeit die eingelegte CD ausgeworfen werden. Es ist durchaus möglich, den Eject-Knopf des eingebauten CD-ROM Laufwerks zu benutzen. Das könnte aber zu internen Problemen führen.

Spalte 5: Play.

Ein kurzer Druck startet das Abspielen.

Bei einem langen Druck auf Play muß man unterscheiden, ob man auf einer VCD oder auf einem Titel steht. Wenn man auf einem Titel steht (zB weil man vorher auf Stop gedrückt hat), startet ein langer Druck auf Play nur diesen einen Titel. Danach wird die Wiedergabe gestoppt.

Steht der Player aber auf einer VCD, so wird die gesamte VCD abgespielt bevor die Wiedergabe wieder gestoppt wird.

Spalte 1-5: 1-20,(0),(+10),Clear

Diese 23 Tasten sind zwar nicht unbedingt notwendig aber machen die Bedienung des Players sehr bequem. Dazu paßt sich die Belegung der Tasten dem jeweiligen Systemzustand an.

Wenn die CD gerade eingelegt wurde (oder zurück zur VCD Auswahl gewechselt wurde) kann man durch einen kurzen Druck auf die jeweilige Nummerntaste die gewünschte VCD direkt anwählen. Wird die Nummerntaste dagegen länger gedrückt, startet auch direkt das Abspielen der Ausgewählten VCD.

Im Trackmodus, startet ein kurzer Druck dagegen den ausgewählten Track direkt. Ein langer Druck springt hier dagegen zur gewünschten VCD und startet das Abspielen dieser CD beim ersten Titel.

Während ein Titel läuft, reicht ein kurzer Druck aus, um auf den gewünschten Titel zu wechseln. Dagegen wechselt ein langer Druck auf die gewünschte VCD, analog zum Trackmodus.

Zu beachten ist noch, daß im Shufflemodus mit der Titelnummer die Nummer innerhalb der Abspielfolge gemeint ist. Titel 2 bezeichnet damit den zweiten Titel, der abgespielt wird - nicht jedoch den zweiten Titel innerhalb der VCD.

Um Titel mit einem Index größer 20 anzuwählen, muß vorher entsprechend oft die (+10) Taste gedrückt werden. Der Offset wird im Display kurz angezeigt. Um also auf Track 30 zu wecheln kann man (+10), (+10), (+10), (0) antippen. Einfacher geht es natürlich mit (+10), 20.