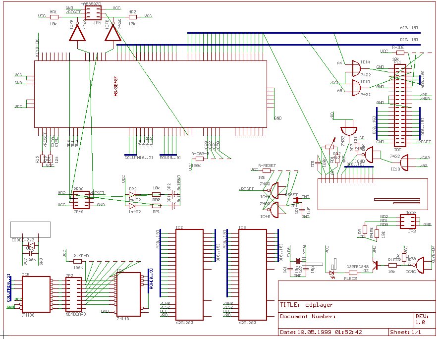
The Schematics The complete picture... as postscript
At the right, you can find some of the "interesting" parts of the schematic. To get more detailed information about why and how this part was desinged, just click on the picture.

The schematics itself was created with the eagle software. There is a version available that can route half euro-sized boards (10x8cm). It was hard to make the board fit (and led to a second board with the decoderchip and analog output on it) but that was worth the work. ;-)

The schematics may be devided into 5 different functional parts:

The first (and certainly most interesting) part is the implementation of the ide interface. You may believe it or not - but a IDE interface can be implemented by using only two IC (lowering the cost dramatically compared to the design needed to implement a scsi interface)!

The next block is the display section. I decided to use a standard Hitachi display module which cost (here in germany) about 30-60DM depending on display size and backlight support. As you might have seen: the display interface is far more complex than that of the IDE interface...

What would a player be without a keyboard? The keyboard section describes design and order of all the 39 keys that are supported by this player.

The next section describes the mp3 decoderboard in more detail. Most of the informationen found here can be read in the german computer magazine c't although this project has absolutely nothing to do with the board presented in the magazine (issue 14, 15 1999?). This project was done independly (and without any knowledge) of their project (well, I should put this into a FAQ...)

Finally all the rest you need to run a computer can be found on the "The complete picture...".


The IDE Interface
This is the interface to a standard ATAPI CDROM drive


The display
A standard 2x20 display from Hitachi with backlight


The Keyboard Interface
Only two ICs are needed to control almost 40 keys

 


The MP3 decoder hardware
All you need to convert digital data to analog output...